消防风阀执行器
GNA126.1E
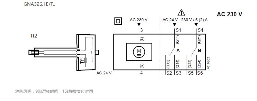
GNA326.1E
旋转,2位控制,弹簧复位和可选的准备连接的温度监控单元、AC 24 V / DC 24…48 V or AC 230 V
电动执行器2位控制,额定扭矩7nm,弹簧复位到安全位置,机械可调间距0…90°,配有0.9米长的连接电缆。
可选的温度监控单元2热断路器(72°C)和测试按钮。特殊版本有固定辅助开关,开关点5°和80°,执行器与风阀之间刚性连接。
用途
风门保护的火力控制:
● 风阀表面的额定扭矩为7nm,高达约1平方米(摩擦性)。
● 在工厂消防部分,在事件的热熔断器削减了在管道或72°C环境温度,或在一个断电的情况下,执行器必须恢复至故障安全位置(零位)。


详情资料咨询客服享优惠,或电话孙女士025-86620223
产品安装视频可关注网站下方微信公众号